Технические характеристики сварочных выпрямителей
Сварочные выпрямители применяют для ручной дуговой сварки и для сварки неплавящимся электрдом в защитных газах. Сварочный выпрямитель в этом случае состоит из понижающего трансформатора и выпрямительного блока. К этой группе относятся выпрямители ВСС-300-3, ВСС-120-4, В КС 500 и др. (табл. 25).
Таблица 25. Технические характеристики выпрямителей с
крутопадающими внешними характеристиками
| Параметры | Тип выпрямителей | ||||
| ВСС-300-3 | BCC-120-4 | BKC-500 | ВД-301 | ВД-502 | |
| Напряжение питающей сети, В Номинальный ток (при ПР-65%), А Напряжение холостого хода, В Пределы perулирования тока, А Мощность, кВА Коэффициент полезного действия, % Масса, кг |
380/220 300 58-65 35-300 13,2 68 240 |
380/220 120 57-63 15-130 5,1 59 1 40 |
380/220 500 (ПР-60%) 65-74 65-550 23,5 75 410 |
380/220 300 (ПР-60%) 65-68 40-330 - 72 225 |
220/380 500 (ПР-60%) 80 - 42 - 350 |
Сварочный выпрямитель ВСС-300 (рис. 86)
представляет собой однопостовую сварочную установку, состоящую из понижающего
трансформатора, блока селеновых шайб, пускорегулирующей аппаратуры,
смонтированной в общем кожухе, и вентилятора для охлаждения трансформатора.
Трехфазный понижающий трансформатор выполнен с увеличенным магнитным рассеянием,
что обеспечивает создание семейства падающих внешних характеристик. Сварочный
ток регулируют изменением расстояния между первичной и вторичной обмотками
понижающего трехфазного трансформатора.

Рис. 86.
Конструктивное исполнение сварочного выпрямителя ВСС-300: 1 — вентилятор, 2 —
неподвижная обмотка, 3 — магнитопровод трансформатора, 4 — рукоятка с
механизмом премещения подвижной обмотки трансформатора, 5 — подвижная обмотка
трансформатора, 6 — блок селеновых выпрямителей, 7 - кожух
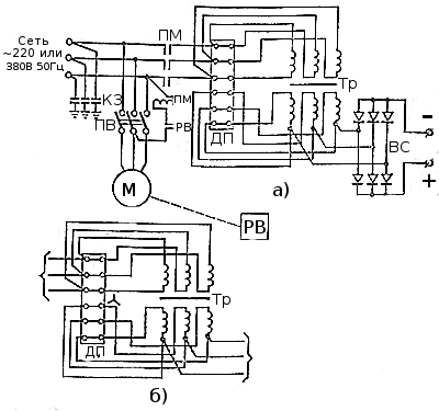
Чтобы уменьшить ход подвижных обмоток, требуемые пределы регулирования величины сварочного тока стараются получить одновременным переключением первичной и вторичной обмоток с «треугольника» на «звезду» (рис. 87). Выпрямительный блок выполнен по трехфазной мостовой схеме и состоит из трех соединенных параллельно селеновых столбов с пластинами размером 100X400 мм.

Рис. 87.
Принципиальная электрическая схема выпрямителя ВСС-300: а — соединение обмоток
трансформатора «треугольником» при сварке током большой величины, б
—соединение обмоток трансформатора «звездой» при сварке током малой величины,ПМ
— пускатель магнитный, РВ — реле контроля вентиляции, ПВ — пакетный выключатель,
М — двигатель вентилятора, ДП — доска переключения, Тр — трансформатор
понижающий, ВС — выпрямитель селеновый, К3 — конденсатор защитный.
Электрическая схема обеспечивает выключение выпрямителя от чрезмерного перегрева. Выпрямитель снабжен фильтрами для подавления радиопомех.




