Технические характеристики сварочных выпрямителей
Сварочные выпрямители — это устройства, преобразующие с помощью полупроводниковых элементов — вентилей—переменный ток в постоянный и предназначенные для питания сварочной дуги. Их действие основано на том, что полупроводниковые элементы проводят ток только в одном направлении; в обратном направлении они (полупроводники) практически электрический ток не пропускают.
Наибольшее применение в сварочных выпрямителях получили селеновые и кремниевые полупроводники. Селеновые полупроводники получили большое распространение потому, что они дешевые и обладают большой перегрузочной способностью (их к. п. д. около 75 %).
Сварочные выпрямители обладают некоторыми преимуществами перед преобразователями с вращающимися роторами (табл. 24), так как они имеют лучшие энергетические и весовые показатели, более высокий к. п. д. и просты в обслуживании. Кроме того, они имеют меньшие потери при холостом ходе и лучшие сварочные качества (как результат более широких пределов регулирования), отсутствует шум при работе. Дефицитные медные обмотки заменены в них на алюминиевые.
Таблица 24. Сравнение технических характеристики сварочных преобразователей и выпрямителей
| Параметры | Тип преобразователя | Тип выпрямителя | |||||
| ПСО-300 | ПСО-500 | ПСМ-1000 | ВСС-300 | ВД-301 | ВКС-500 | ВКСМ-100 | |
| Номинальный сварочный ток (при ПР-65%), А К. п. д., % Потери при холостом ходе, кВт Масса, кг |
300 55 2,3 305 |
500 60 4,1 540 |
1000 76 - 950 |
300 66 0,65 240 |
300 72 0,65 225 |
500 75 1,26 385 |
1000 87 - 650 |
Принцип работы сварочного выпрямителя
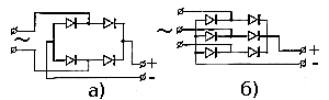
Сварочные выпрямители собирают по двум наиболее распространенным схемам: однофазной мостовой двухполупериодного выпрямления и трехфазной мостовой (рис 85).

Рис 85. Принципиальные типовые схемы выпрямителей: а — однофазная мостовая, б — трехфазная мостовая
Наиболее распространена трехфазная мостовая схема выпрямления, которая обеспечивает большую устойчивость горения сварочной дуги при меньшем количестве вентилей при одинаково заданных значениях выпрямленного напряжения и тока, более равномерную загрузку всех трех фаз силовой сети и лучшее использованне трансформатора сварочного выпрямителя.
При работе выпрямителя по этой схеме в каждый данный момент времени ток проводят только два элемента, соединенные последовательно с нагрузкой. Таким образом, в течение одного периода получается шесть пульсаций тока.
Сварочные выпрямители, в зависимости от внешних характеристик, можно разделить на три типа:
Многопостовые сварочные выпрямители
Выпрямители выпускаются на кремниевых вентилях, которые обеспечивают хорошее конструктивное решение выпрямительного блока и получение высокого коэффициента полезного действия. Промышленностью выпускаются мпогопостовые сварочные выпрямители ВКСМ-1000 на 1000 А, рассчитанные на одновременное питание шести сварочных постов с номинальным током по 300 А каждый.




