Технические характеристики многопостовых сварочных трансформаторов
Для многопостовой сварки может быть использован любой сварочный трансформатор типа СТЭ с жесткой внешней характеристикой при условии присоединения к каждому посту регулятора тока (дросселя) типа РСТ, обеспечивающего падающую внешнюю характеристику.
Количество постов, подключаемое к многопостовом сварочному трансформатору, определяется по формуле
n=Iтр / Iп ּ K,
где n — количество постов; Iтр — номинальный ток сварочного трансформатора; Iп — сварочный ток поста; K — коэффициент загрузки, равный 0,6—0,8.
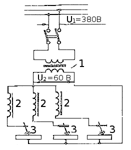
На рис. 66 показана электрическая схема многопостовой сварки от однофазного трансформатора с жесткой характеристикой и регулятором тока типа РСТ.

Рис. 66.
Схема многопостовой сварки от трансформатора с жесткой характеристикой: 1 —
трансформатор, 2 — дроссели постовые, 3 — сварочные дуги
Применение многопостовых сварочных трансформаторов позволяет более полно использовать мощность оборудования.
Для многопостовой сварки применяют также трехфазные трансформаторы с параллельным питанием нескольких сварочных постов. Как видно из рис. 67, такой трансформатор имеет первичную обмотку 1, соединенную «треугольником», и вторичную обмотку 2, соединенную «звездой». Фазовое напряжение (напряжение между пулевым проводом и любой из фаз) должно быть 65—70 В.

Рис. 67.
Схема включения многопостового трехфазного сварочного трансформатора: 1 —
первичная обмотка, 2 — вторичная обмотка, 3 — регуляторы тока (дроссели), 4 —
сварочные дуги
Регулирование сварочного тока и обеспечение падающей характеристики на каждом сварочном посту осуществляется с помощью дросселей типа РСТ.
Многопостовые сварочные трансформаторы имеют ограниченное применение.
Трехфазный сварочный трансформатор может быть применен для ручной дуговой сварки двумя электродами (рис. 68). В этом случае обеспечивается большая производительность сварки, экономится электроэнергия, больше косинус «фи», равномернее распределяется нагрузка между фазами. Регулятор тока такого трансформатора Тр состоит из двух сердечников с регулируемыми воздушными зазорами. Две обмотки регулятора 1 и 2 расположены на одном сердечнике и включаются последовательно с электродами, обмотка 3— на втором сердечнике и подключается к свариваемой конструкции. При трехфазной сварке горят по рассматриваемой схеме одновременно три дуги: две между каждым из электродов 4, 5 и свариваемым изделием 6 и одна между электродами 4 и 5. Для прекращения горения дуги между электродами 4 и 5 предусмотрен магнитный контактор К, катушка которого включена параллельно обмотке 3 регулятора и разрывает электрическую цепь между электродами.

Рис. 68.
Схема сварки трехфазной дуги




