Технические характеристики сварочных генераторов
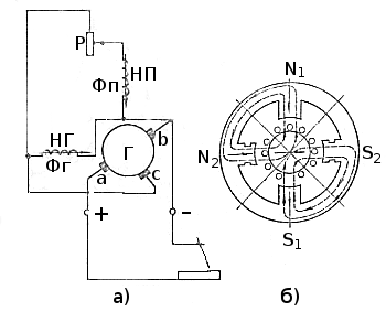
У сварочных генераторов (рис. 75) этой группы падающие внешние характеристики получаются в результате размагничивающего действия магнитного потока обмотки якоря (реакции якоря). Генератор Г имеет четыре основных магнитных полюса N1, N2, S1, S2, и три группы щеток а, b, с на коллекторе. В отличие от рассмотренных генераторов, у которых северные и южные магнитные полосы чередуются между собой, у генераторов этой группы одноименные полюсы расположены рядом.

Рис. 75. Принципиальная электрическая схема генератора с ращепленными полюсами (а) и схема магнитных силовых полей (б)
Каждую пару одноименных полюсов считаем одним, но расщепленным на два. Сварочные генераторы с расщепленными полюсами фактически являются двухполюсными. Вертикально расположенные полюсы называются поперечными, а горизонтальные — главными. Главные полюсы имеют вырезы для уменьшения площади поперечного сечения и всегда работают при полном магнитном насыщении, т. е. магнитный поток, создаваемый этими полюсами, при всех нагрузках остается неизменным. Магнитный поток полюсов, создаваемый обмотками НГ и НП, условно можно разделить на два потока Фг и Фп , замыкающиеся через определенные пары полюсов. Один магнитный поток имеет направление от северного полюса N1 к южному S1 и второй—от северного полюса N2 к южному S2. Э. д. с. якоря зависит от интенсивности магнитных потоков Фп и Фг. Чем интенсивнее магнитный поток, пересекаемый проводниками якоря, тем больше э. д. с.
При возбуждении электрической дуги через обмотку якоря проходит ток, который создает магнитный поток обмотки якоря (показан штриховыми линиями). Этот магнитный поток зависит от тока: чем меньше величина тока в обмотке якоря, тем меньше магнитный поток якоря. Магнитный поток якоря, который совпадает по направлению с магнитным потоком N2, S2 главных полюсов (направления магнитных потоков полюсов показаны стрелками), увеличивает его; направленный же в противоположную сторону магнитный поток уменьшает его.
Главные полюсы всегда работают при полном магнитном насыщении. Следовательно, магнитный поток якоря практически не может увеличить магнитный поток Фг, он может только уменьшить магнитный поток поперечных полюсов Фп. В момент короткого замыкания в сварочной цепи магнитный поток якоря имеет наибольшую величину и уменьшает результирующий магнитный поток до нуля, следовательно, э. д. с. генератора также равна нулю.
При отсутствии нагрузки в сварочной цепи (при холостом ходе) в обмотке якоря тока нет, магнитный, поток якоря также отсутствует, поэтому поток Фп и, следовательно, результирующий магнитный поток имеют наибольшую величину, а генератор — наибольшее напряжение. Таким образом, вследствие размагничивающего действия магнитного потока обмотки якоря (реакции якоря) создается падающая внешняя характеристика.
По данной схеме (с расщепленными полюсами) в промышленности нашли применение преобразователи ПС-ЗООМ, ПС-300М-1, ПС-300Т с генераторами СГ-300М, СГ-ЗООМ-1, СГ-300Т и некоторые другие сварочные агрегаты. Основные технические данные преобразователей с генераторами, работающими по этой схеме, даны в табл. 20.
Таблица 20. Технические характеристики преобразователей ПС-ЗООМ, ПС-300М-1, ПС-300Т
| Параметры | Тип преобразователя | ||
| ПС-ЗООМ | ПС-ЗООМ-1 | ПС-300Т | |
| Тип генератора Напряжение холостого хода, В Номинальный сварочный ток (при ПР-65%), А Пределы регулирования тока, А Тип электродвигателя Мощность электродвигателя, кВт Исполнение Масса, кг |
СГ-300М 50-76 340 80-380 А-64-2 14 Однокорпусный 600 |
СГ-З00М-1 — 340 80-360 A-64-2 14 Однокорпусный стационарный 590 |
СГ-300Т 50-76 300 75-340 АТ-62-4Т 14 Однокорпусный стационарный 600 |




