Стабилизатор сварочной дуги
Для повышения производительности ручной дуговой сварки и экономичного использования электроэнергии создан стабилизатор сварочной дуги СД-2. Стабилизатор поддерживает устойчивое горение сварочной дуги при сварке переменным током плавящимся электродом путем подачи на дугу в начале каждого периода импульса напряжения.
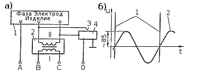
Схема внешних электрических соединений стабилизатора показана на рис. 72, а, осциллограмма стабилизирующего импульса — на рис. 72, б.

Рис. 72. Схема внешних электрических соединений стабилизатора и осциллограмма стабилизирующего импульса: а — схема: 1 — стабилизатор, 2 — трансформатор варочный, 3 — электрод, 4 — изделие; б — осцилограмма: 1 — стабилизирующий импульс, 2 — напряжение на вторичной обмотке трансформатора
Сварка c применением стабилизатора позволяет экономичнее
использовать электроэнергию, расширить технологические возможности применения
сварочного трансформатора, уменьшить эксплуатационные расходы, ликвидировать
магнитное дутье.




